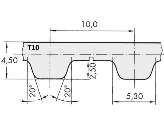
Řemen ozubený 150 T10 / 3800 AFX optibelt ALPHA FLEX

Řemen ozubený 150 T10 / 3800 AFX optibelt ALPHA FLEX

Kód produktu: 
4014486842296
Dostupnost:
Na dotaz
40 613 Kč
33 565 Kč bez DPH