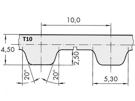
Řemen ozubený 150 T10 / 3400 AFX optibelt ALPHA FLEX

Řemen ozubený 150 T10 / 3400 AFX optibelt ALPHA FLEX

Kód produktu: 
4014486842272
Dostupnost:
Na dotaz
35 680 Kč
29 488 Kč bez DPH