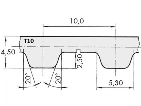
Řemen ozubený 150 T10 / 3200 AFX optibelt ALPHA FLEX

Řemen ozubený 150 T10 / 3200 AFX optibelt ALPHA FLEX

Kód produktu: 
4014486842265
Dostupnost:
Na dotaz
33 715 Kč
27 864 Kč bez DPH