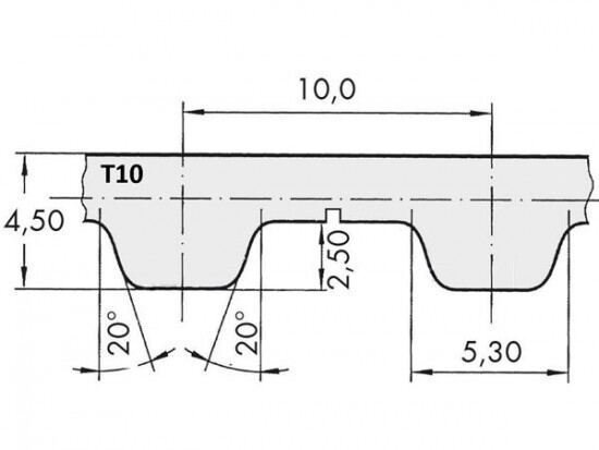
Řemen ozubený 150 T10 / 2900 AFX optibelt ALPHA FLEX

Řemen ozubený 150 T10 / 2900 AFX optibelt ALPHA FLEX

Kód produktu: 
4014486842241
Dostupnost:
Na dotaz
30 512 Kč
25 216 Kč bez DPH