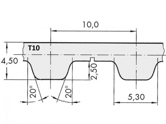
Řemen ozubený 150 T10 / 2800 AFX optibelt ALPHA FLEX

Řemen ozubený 150 T10 / 2800 AFX optibelt ALPHA FLEX

Kód produktu: 
4014486842234
Dostupnost:
Na dotaz
29 511 Kč
24 389 Kč bez DPH