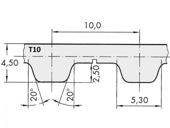
Řemen ozubený 150 T10 / 2700 AFX optibelt ALPHA FLEX

Řemen ozubený 150 T10 / 2700 AFX optibelt ALPHA FLEX

Kód produktu: 
4014486842227
Dostupnost:
Na dotaz
28 441 Kč
23 505 Kč bez DPH