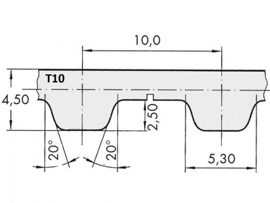
Řemen ozubený 150 T10 / 2600 AFX optibelt ALPHA FLEX

Řemen ozubený 150 T10 / 2600 AFX optibelt ALPHA FLEX

Kód produktu: 
4014486842210
Dostupnost:
Na dotaz
27 476 Kč
22 708 Kč bez DPH