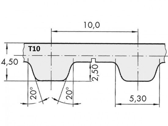
Řemen ozubený 150 T10 / 2300 AFX optibelt ALPHA FLEX

Řemen ozubený 150 T10 / 2300 AFX optibelt ALPHA FLEX

Kód produktu: 
4014486842180
Dostupnost:
Na dotaz
24 305 Kč
20 087 Kč bez DPH