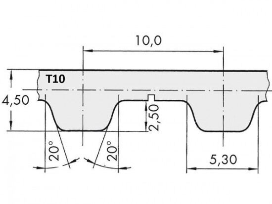
Řemen ozubený 150 T10 / 2200 AFX optibelt ALPHA FLEX

Řemen ozubený 150 T10 / 2200 AFX optibelt ALPHA FLEX

Kód produktu: 
4014486842173
Dostupnost:
Na dotaz
23 272 Kč
19 233 Kč bez DPH