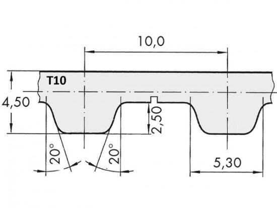
Řemen ozubený 150 T10 / 2100 AFX optibelt ALPHA FLEX

Řemen ozubený 150 T10 / 2100 AFX optibelt ALPHA FLEX

Kód produktu: 
4014486842166
Dostupnost:
Na dotaz
22 339 Kč
18 462 Kč bez DPH