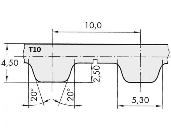
Řemen ozubený 150 T10 / 2000 AFX optibelt ALPHA FLEX

Řemen ozubený 150 T10 / 2000 AFX optibelt ALPHA FLEX

Kód produktu: 
4014486842159
Dostupnost:
Na dotaz
20 686 Kč
17 096 Kč bez DPH