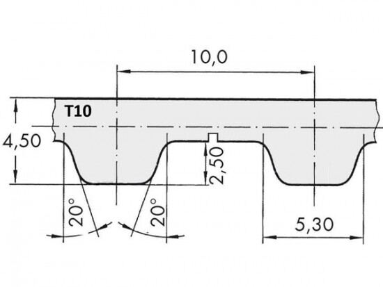
Řemen ozubený 150 T10 / 1900 AFX optibelt ALPHA FLEX

Řemen ozubený 150 T10 / 1900 AFX optibelt ALPHA FLEX

Kód produktu: 
4014486842142
Dostupnost:
Na dotaz
19 667 Kč
16 254 Kč bez DPH