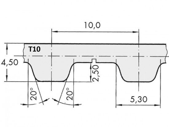
Řemen ozubený 150 T10 / 1800 AFX optibelt ALPHA FLEX

Řemen ozubený 150 T10 / 1800 AFX optibelt ALPHA FLEX

Kód produktu: 
4014486842135
Dostupnost:
Na dotaz
18 524 Kč
15 309 Kč bez DPH