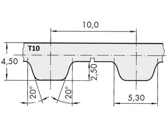
Řemen ozubený 150 T10 / 1500 AFX optibelt ALPHA FLEX

Řemen ozubený 150 T10 / 1500 AFX optibelt ALPHA FLEX

Kód produktu: 
4014486842104
Dostupnost:
Na dotaz
16 223 Kč
13 408 Kč bez DPH