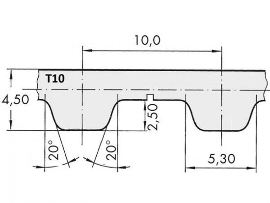
Řemen ozubený 150 T10 / 10800 AFX optibelt ALPHA FLEX

Řemen ozubený 150 T10 / 10800 AFX optibelt ALPHA FLEX

Kód produktu: 
4014486842647
Dostupnost:
Na dotaz
116 215 Kč
96 046 Kč bez DPH