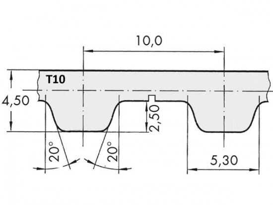
Řemen ozubený 150 T10 / 10600 AFX optibelt ALPHA FLEX

Řemen ozubený 150 T10 / 10600 AFX optibelt ALPHA FLEX

Kód produktu: 
4014486842630
Dostupnost:
Na dotaz
113 977 Kč
94 196 Kč bez DPH