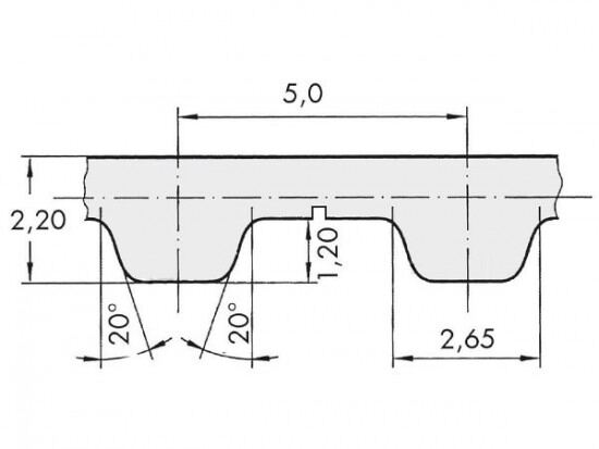
Řemen ozubený 100 T5 / 9800 AFX optibelt ALPHA FLEX

Řemen ozubený 100 T5 / 9800 AFX optibelt ALPHA FLEX

Kód produktu: 
4044978616531
Dostupnost:
Na dotaz
63 204 Kč
52 235 Kč bez DPH