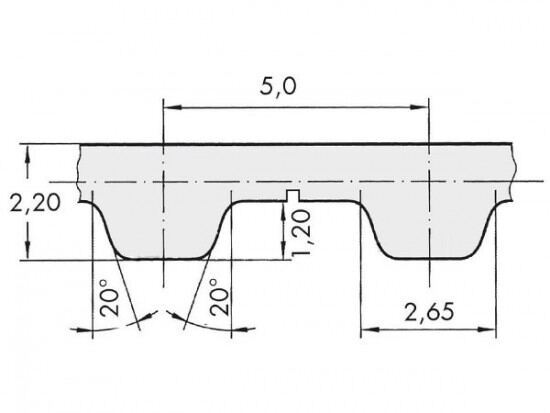
Řemen ozubený 100 T5 / 9600 AFX optibelt ALPHA FLEX

Řemen ozubený 100 T5 / 9600 AFX optibelt ALPHA FLEX

Kód produktu: 
4044978612786
Dostupnost:
Na dotaz
61 962 Kč
51 208 Kč bez DPH