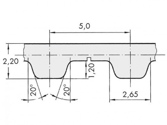
Řemen ozubený 100 T5 / 9400 AFX optibelt ALPHA FLEX

Řemen ozubený 100 T5 / 9400 AFX optibelt ALPHA FLEX

Kód produktu: 
4044978614612
Dostupnost:
Na dotaz
60 652 Kč
50 126 Kč bez DPH