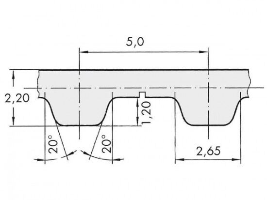
Řemen ozubený 100 T5 / 9200 AFX optibelt ALPHA FLEX

Řemen ozubený 100 T5 / 9200 AFX optibelt ALPHA FLEX

Kód produktu: 
4044978608611
Dostupnost:
Na dotaz
59 275 Kč
48 988 Kč bez DPH