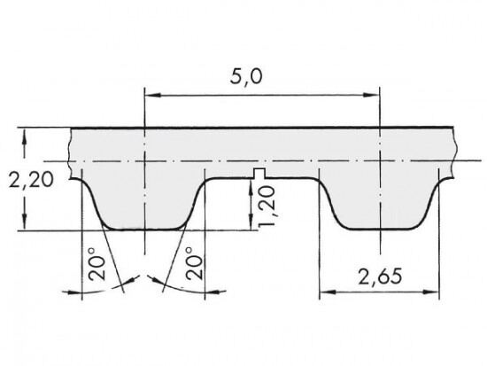
Řemen ozubený 100 T5 / 9000 AFX optibelt ALPHA FLEX

Řemen ozubený 100 T5 / 9000 AFX optibelt ALPHA FLEX

Kód produktu: 
4044978608253
Dostupnost:
Na dotaz
58 080 Kč
48 000 Kč bez DPH