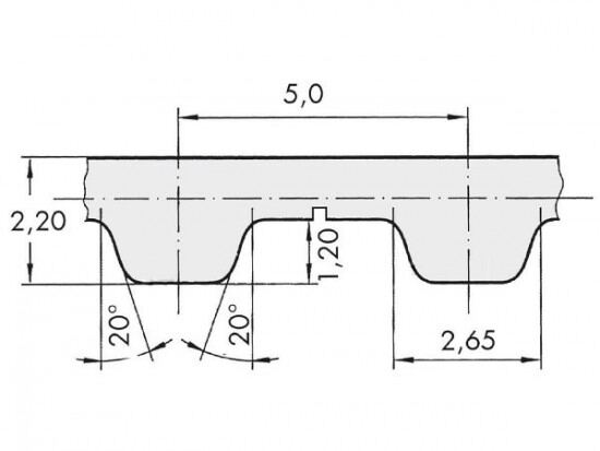
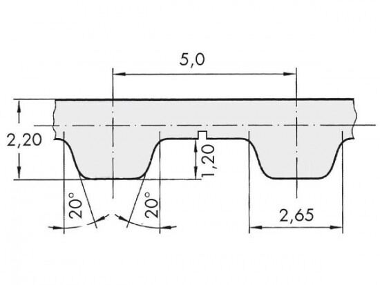
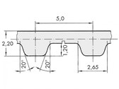
Řemen ozubený 100 T5 / 8600 AFX optibelt ALPHA FLEX

Řemen ozubený 100 T5 / 8600 AFX optibelt ALPHA FLEX

Kód produktu: 
4014486445565
Dostupnost:
Na dotaz
55 437 Kč
45 815 Kč bez DPH