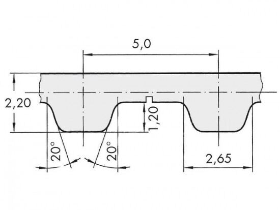
Řemen ozubený 100 T5 / 7200 AFX optibelt ALPHA FLEX

Řemen ozubený 100 T5 / 7200 AFX optibelt ALPHA FLEX

Kód produktu: 
4044978613882
Dostupnost:
Na dotaz
46 334 Kč
38 292 Kč bez DPH