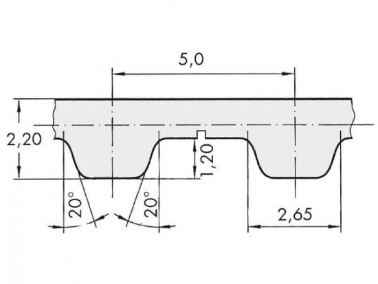
Řemen ozubený 100 T5 / 6600 AFX optibelt ALPHA FLEX

Řemen ozubený 100 T5 / 6600 AFX optibelt ALPHA FLEX

Kód produktu: 
4044978593184
Dostupnost:
Na dotaz
42 404 Kč
35 045 Kč bez DPH