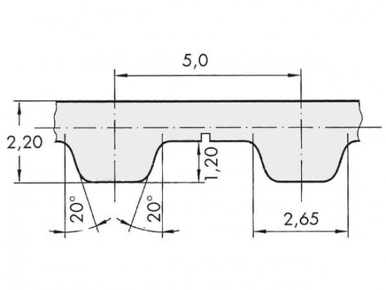
Řemen ozubený 100 T5 / 6200 AFX optibelt ALPHA FLEX

Řemen ozubený 100 T5 / 6200 AFX optibelt ALPHA FLEX

Kód produktu: 
4044978597946
Dostupnost:
Na dotaz
39 877 Kč
32 956 Kč bez DPH