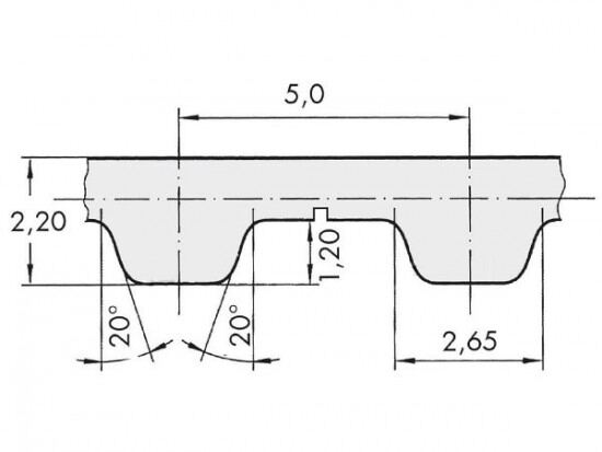
Řemen ozubený 100 T5 / 6000 AFX optibelt ALPHA FLEX

Řemen ozubený 100 T5 / 6000 AFX optibelt ALPHA FLEX

Kód produktu: 
4044978586681
Dostupnost:
Na dotaz
38 588 Kč
31 891 Kč bez DPH