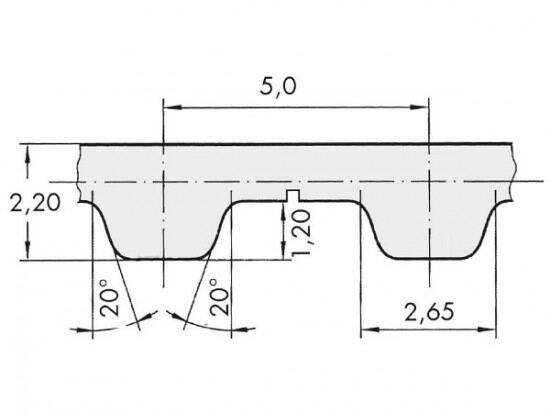
Řemen ozubený 100 T5 / 5800 AFX optibelt ALPHA FLEX

Řemen ozubený 100 T5 / 5800 AFX optibelt ALPHA FLEX

Kód produktu: 
4044978589767
Dostupnost:
Na dotaz
37 417 Kč
30 923 Kč bez DPH