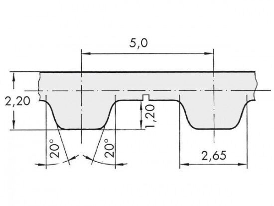
Řemen ozubený 100 T5 / 5400 AFX optibelt ALPHA FLEX

Řemen ozubený 100 T5 / 5400 AFX optibelt ALPHA FLEX

Kód produktu: 
4014486023466
Dostupnost:
Na dotaz
35 234 Kč
29 119 Kč bez DPH