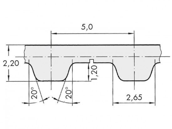
Řemen ozubený 100 T5 / 5200 AFX optibelt ALPHA FLEX

Řemen ozubený 100 T5 / 5200 AFX optibelt ALPHA FLEX

Kód produktu: 
4044978586889
Dostupnost:
Na dotaz
33 394 Kč
27 599 Kč bez DPH