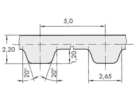
Řemen ozubený 100 T5 / 4600 AFX optibelt ALPHA FLEX

Řemen ozubený 100 T5 / 4600 AFX optibelt ALPHA FLEX

Kód produktu: 
4014486023220
Dostupnost:
Na dotaz
29 419 Kč
24 314 Kč bez DPH