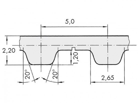
Řemen ozubený 100 T5 / 4400 AFX optibelt ALPHA FLEX

Řemen ozubený 100 T5 / 4400 AFX optibelt ALPHA FLEX

Kód produktu: 
4044978591111
Dostupnost:
Na dotaz
28 202 Kč
23 308 Kč bez DPH