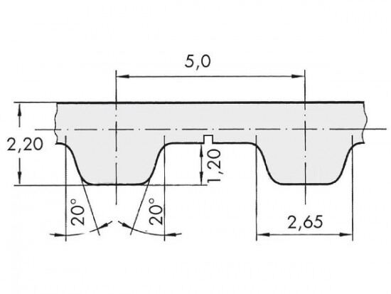
Řemen ozubený 100 T5 / 4000 AFX optibelt ALPHA FLEX

Řemen ozubený 100 T5 / 4000 AFX optibelt ALPHA FLEX

Kód produktu: 
4044978593139
Dostupnost:
Na dotaz
25 949 Kč
21 446 Kč bez DPH