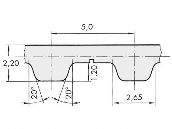
Řemen ozubený 100 T5 / 3800 AFX optibelt ALPHA FLEX

Řemen ozubený 100 T5 / 3800 AFX optibelt ALPHA FLEX

Kód produktu: 
4044978596000
Dostupnost:
Na dotaz
24 432 Kč
20 192 Kč bez DPH