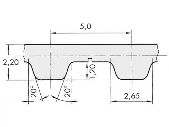
Řemen ozubený 100 T5 / 3600 AFX optibelt ALPHA FLEX

Řemen ozubený 100 T5 / 3600 AFX optibelt ALPHA FLEX

Kód produktu: 
4044978585578
Dostupnost:
Na dotaz
22 983 Kč
18 994 Kč bez DPH