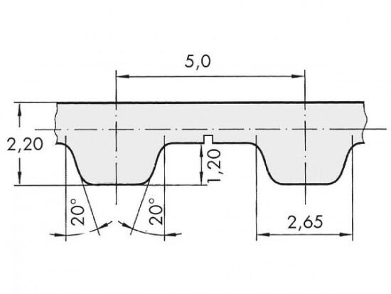
Řemen ozubený 100 T5 / 3000 AFX optibelt ALPHA FLEX

Řemen ozubený 100 T5 / 3000 AFX optibelt ALPHA FLEX

Kód produktu: 
4014486022742
Dostupnost:
Na dotaz
18 892 Kč
15 613 Kč bez DPH