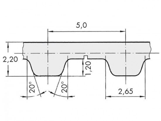
Řemen ozubený 100 T5 / 2900 AFX optibelt ALPHA FLEX

Řemen ozubený 100 T5 / 2900 AFX optibelt ALPHA FLEX

Kód produktu: 
4014486022681
Dostupnost:
Na dotaz
18 318 Kč
15 138 Kč bez DPH