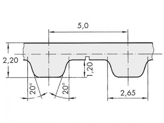
Řemen ozubený 100 T5 / 2800 AFX optibelt ALPHA FLEX

Řemen ozubený 100 T5 / 2800 AFX optibelt ALPHA FLEX

Kód produktu: 
4014486022629
Dostupnost:
Na dotaz
17 720 Kč
14 645 Kč bez DPH