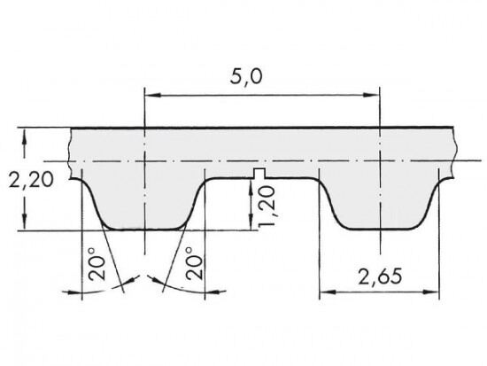
Řemen ozubený 100 T5 / 2700 AFX optibelt ALPHA FLEX

Řemen ozubený 100 T5 / 2700 AFX optibelt ALPHA FLEX

Kód produktu: 
4044978587558
Dostupnost:
Na dotaz
17 076 Kč
14 112 Kč bez DPH