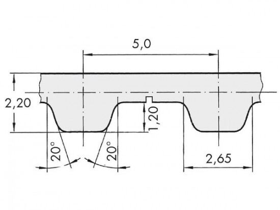
Řemen ozubený 100 T5 / 2600 AFX optibelt ALPHA FLEX

Řemen ozubený 100 T5 / 2600 AFX optibelt ALPHA FLEX

Kód produktu: 
4044978591982
Dostupnost:
Na dotaz
16 455 Kč
13 599 Kč bez DPH