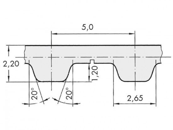
Řemen ozubený 100 T5 / 2300 AFX optibelt ALPHA FLEX

Řemen ozubený 100 T5 / 2300 AFX optibelt ALPHA FLEX

Kód produktu: 
4014486022322
Dostupnost:
Na dotaz
14 595 Kč
12 062 Kč bez DPH