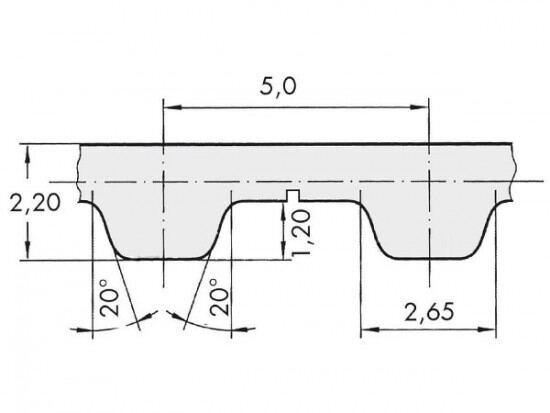
Řemen ozubený 100 T5 / 1900 AFX optibelt ALPHA FLEX

Řemen ozubený 100 T5 / 1900 AFX optibelt ALPHA FLEX

Kód produktu: 
4014486022087
Dostupnost:
Na dotaz
11 813 Kč
9 763 Kč bez DPH