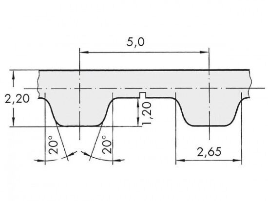
Řemen ozubený 100 T5 / 1700 AFX optibelt ALPHA FLEX

Řemen ozubený 100 T5 / 1700 AFX optibelt ALPHA FLEX

Kód produktu: 
4014486021967
Dostupnost:
Na dotaz
10 598 Kč
8 758 Kč bez DPH