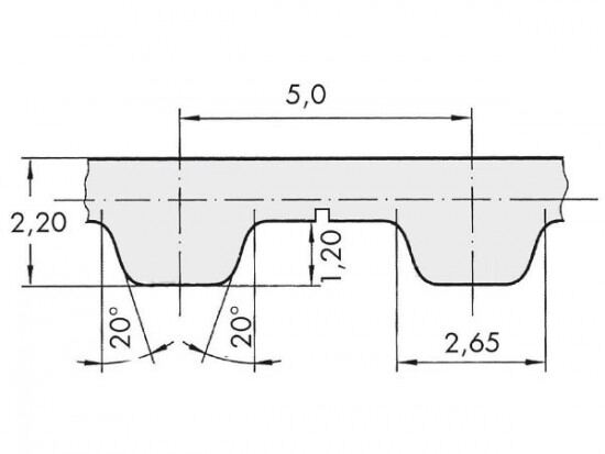
Řemen ozubený 100 T5 / 1600 AFX optibelt ALPHA FLEX

Řemen ozubený 100 T5 / 1600 AFX optibelt ALPHA FLEX

Kód produktu: 
4014486021905
Dostupnost:
Na dotaz
10 158 Kč
8 395 Kč bez DPH