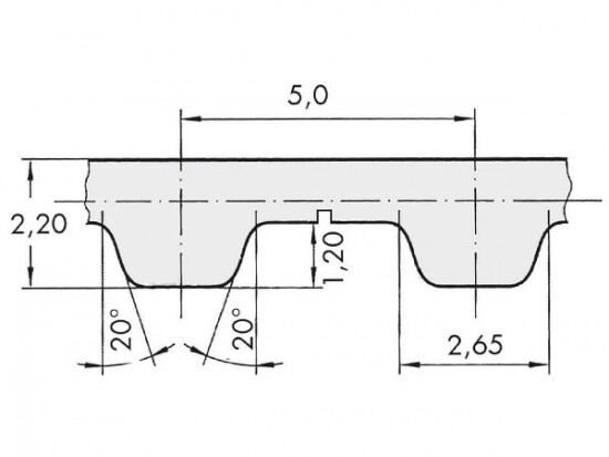
Řemen ozubený 100 T5 / 1500 AFX optibelt ALPHA FLEX

Řemen ozubený 100 T5 / 1500 AFX optibelt ALPHA FLEX

Kód produktu: 
4014486021844
Dostupnost:
Na dotaz
9 861 Kč
8 150 Kč bez DPH