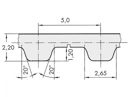
Řemen ozubený 100 T5 / 1300 AFX optibelt ALPHA FLEX

Řemen ozubený 100 T5 / 1300 AFX optibelt ALPHA FLEX

Kód produktu: 
4014486832860
Dostupnost:
Na dotaz
9 276 Kč
7 666 Kč bez DPH