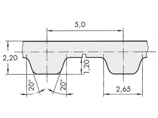
Řemen ozubený 100 T5 / 11800 AFX optibelt ALPHA FLEX

Řemen ozubený 100 T5 / 11800 AFX optibelt ALPHA FLEX

Kód produktu: 
4044978617132
Dostupnost:
Na dotaz
76 189 Kč
62 967 Kč bez DPH