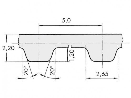
Řemen ozubený 100 T5 / 11600 AFX optibelt ALPHA FLEX

Řemen ozubený 100 T5 / 11600 AFX optibelt ALPHA FLEX

Kód produktu: 
4044978617385
Dostupnost:
Na dotaz
74 924 Kč
61 921 Kč bez DPH