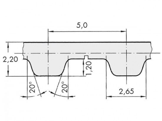
Řemen ozubený 100 T5 / 11400 AFX optibelt ALPHA FLEX

Řemen ozubený 100 T5 / 11400 AFX optibelt ALPHA FLEX

Kód produktu: 
4044978618849
Dostupnost:
Na dotaz
73 593 Kč
60 821 Kč bez DPH