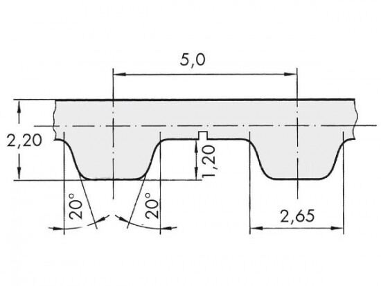
Řemen ozubený 100 T5 / 11200 AFX optibelt ALPHA FLEX

Řemen ozubený 100 T5 / 11200 AFX optibelt ALPHA FLEX

Kód produktu: 
4044978612113
Dostupnost:
Na dotaz
72 283 Kč
59 738 Kč bez DPH