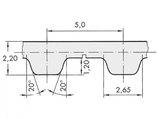
Řemen ozubený 100 T5 / 10600 AFX optibelt ALPHA FLEX

Řemen ozubený 100 T5 / 10600 AFX optibelt ALPHA FLEX

Kód produktu: 
4044978612410
Dostupnost:
Na dotaz
68 399 Kč
56 528 Kč bez DPH